您好,欢迎启东市神舟润滑设备制造有限公司!

全国服务热线:0513-83227070

子页面大图广告
启东市神舟润滑设备制造有限公司

地址:启东市惠萍镇西侧工业园区

电话:0513-83227070
    0513-83797070

传真:0513-83223806

手机:13016796801
    13584729328

您当前的位置:首页 >> 管接头、高压胶管总成... >> 管夹、U型螺栓及托架
 
管夹、U型螺栓及托架

 加入时间:2018-5-22 9:14:39  

● 管夹

 

代号(订货号)

管子外径D

夹管数n

L1

L2

L3

重量(kg)

ZY619.1.00

6

1

40

24

-

0.02

ZY619.2.00

2

47

31

7

0.03

ZY619.3.00

3

54

38

14

0.03

ZY619.4.00

4

61

45

21

0.03

ZY619.5.00

5

68

52

28

0.03

ZY619.6.00

6

75

59

35

0.04

ZY620.1.00

8

1

44

28

-

0.02

ZY620.2.00

2

54

38

9

0.03

ZY620.3.00

3

62

46

18

0.03

ZY620.4.00

4

71

55

27

0.04

ZY620.5.00

5

80

64

36

0.04

ZY620.6.00

6

89

73

45

0.04

ZY620.7.00

7

98

82

54

0.04

ZY620.8.00

8

107

91

63

0.05

ZY621.1.00

10

1

46

30

-

0.03

ZY621.2.00

2

58

42

11

0.03

ZY621.3.00

3

68

52

22

0.04

ZY621.4.00

4

79

63

33

0.04

ZY621.5.00

12

1

47

32

-

0.03

ZY621.6.00

2

63

48

16

0.04

ZY621.7.00

3

79

64

32

0.05

ZY621.8.00

4

95

80

48

0.06

ZY631.1.00

14

1

54

38

-

0.04

ZY631.2.00

2

70

54

15

0.04

ZY631.3.00

3

84

68

30

0.05

ZY631.4.00

4

100

84

45

0.06

ZY631.5.00

16

1

53

38

-

0.04

ZY631.6.00

2

73

58

20

0.04

ZY631.7.00

3

93

78

40

0.06

ZY631.8.00

18

1

55

40

-

0.04

ZY631.9.00

2

77

62

22

0.05

ZY631.10.00

22

1

60

45

-

0.04

ZY631.11.00

2

87

72

26

0.05

标记示例:夹管数n为1,管子外径D为6的管夹;管夹1×Φ6 ZY619.1.00

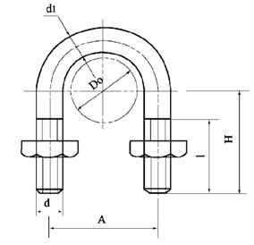
● U型螺栓

代号

管子外径(do)

A

H

d

l

d1

螺母个数

重量(kg)

ZY628.1.00

14

21

24.5

M6

18

6

2

0.022

ZY628.2.00

18

25

27

0.024

ZY628.3.00

22

31

34.5

M8

25

8

0.058

ZY628.4.00

28

37

38.5

0.066

ZY628.5.00

34

44

40

M10

10

0.072

ZY628.6.00

42

54

47

0.132

ZY628.7.00

48

60

49

0.142

ZY628.8.00

60

74

56

M12

28

12

0.203

ZY628.9.00

219

248

149

M20

70

20

4

1.946

ZY628.11.00

76

90

80

M12

50

12

0.324

ZY628.12.00

89

103

80.5

0.354

ZY628.13.00

114

132

97

M16

60

16

0.766

ZY628.14.00

140

158

104

0.866

ZY628.15.00

168

186

116

0.966

ZY628.16.00

273

302

173

M20

70

20

2.276

ZY628.17.00

325

352

199

2.598

ZY628.18.00

368

402

222

M24

24

4.268

ZY628.19.00

406

436

278

M24

95

24

4

4.648

标记示例:U型螺栓14 ZY628.1.00

 

● 托架 

代   号

管子外径(D0)

d

L

L1

L2

L3

重量(kg)

ZT6.5.29-1

14

7

100

31.5

37

21

0.47

ZT6.5.29-2

18

130

36.5

24

0.58

ZT6.5.29-3

22

9

160

42.5

75

31

0.71

ZT6.5.29-4

28

170

45

80

37

0.76

ZT6.5.29-5

34

11

190

50

90

44

0.85

ZT6.5.29-6

42

210

55

100

54

0.94

ZT6.5.29-7

48

220

55

110

60

0.98

ZT6.5.29-8

-

-

-

-

-

-

-

ZT6.5.29-9

60

13

250

65

120

74

1.12

 标记说明:托架14 ZT6.5.29-1