您好,欢迎启东市神舟润滑设备制造有限公司!

全国服务热线:0513-83227070

子页面大图广告
启东市神舟润滑设备制造有限公司

地址:启东市惠萍镇西侧工业园区

电话:0513-83227070
    0513-83797070

传真:0513-83223806

手机:13016796801
    13584729328

您当前的位置:首页 >> 管接头、高压胶管总成... >> 其它管接件
 
其它管接件

 加入时间:2018-5-22 9:30:29  

● 等径直角螺纹接头

代号(订货号)

公称通径(DN)

d(Rc)(R)

L

H1

H2

H3

重量(kg)

对应号

ZT6.5.34-1

6

1/8

16

30

14

22

0.03

H1.7-1

ZT6.5.34-2

8

1/4

22

41

19

30

0.07

H1.7-2

ZT6.5.34-3

10

3/8

24

46

22

34

0.11

H1.7-3

ZT6.5.34-4

15

1/2

30

55

25

40

0.17

H1.7-4

ZT6.5.34-5

20

3/4

32

60

32

44

0.23

H1.7-5

ZT6.5.34-6

25

1

40

72

40

52

0.32

H1.7-6

标记示例:直角接头6 ZT6.5.34-1

● 等径直角螺纹长接头

代号(订货号)

公称通径(DN)

d(Rc)(R)

L

H1

H2

H3

重量(kg)

对应号

ZT6.5.35-1

6

1/8

16

73

57

65

0.28

H1.8-1

ZT6.5.35-2

8

1/4

22

83

61

72

0.30

H1.8-2

ZT6.5.35-3

10

3/8

24

91

67

79

0.33

H1.8-3

ZT6.5.35-4

15

1/2

30

98

68

83

0.38

H1.8-4

ZT6.5.35-5

20

3/4

32

103

71

87

0.44

H1.8-5

标记示例:直角长接头6 ZT6.5.35-1

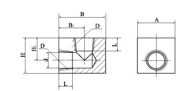
● 直角接头锚固体

代 号

公称通径(DN)

D

d

A

B

B1

H

H1

I

SZ20.7-1

8

Rc1/4

11

26

32

20

32

20

11

SZ20.7-2

10

Rc3/8

14.5

32

40

22

32

20

12

标记示例:锥管螺纹 D 为 Rc1/4 的直角接头锚固体
     直角接头锚固体 Rc1/4 SZ20.7-1
 

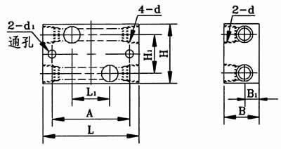
● 双通衬板

代号(订货号)

公称通径
(DN)

d(Rc)

L

B

H

A

L1

B1

H1

D1

重量
(kg)

安全螺栓
(推荐)

对应号

ZT6.5.42-1

8

1/4

102 

38 

68

84 

40 

16 

42 

8.5 

1.92

M8×60 

H1.9-1

ZT6.5.42-2

10

3/8

70

1.93

H1.9-2

ZT6.5.42-3

15

1/2

150

50

98

110

50 

20

60

12.5 

5.84

M12×80

H1.9-3

ZT6.5.42-4

20

3/4

160

54

114

130

26

70

6.21

M12×90

H1.9-4

标记示例:双通衬板 8 ZT6.5.42-1

● 直角法兰

 

代号
(订货号)

公称通径
(DN)

d(Rc)

L1

L2

B1

B2

H1

H2

H3

D

重量
(kg)

对应号

ZT6.5.43-1

6

1/8

40

10

24

9

40

20

10

9

0.18

H1.11-1

ZT6.5.43-2

8

1/4

44

11

28

11

44

24

13

0.30

H1.11-2

ZT6.5.43-3

10

3/8

60

14

36

16

60

35

20

0.81

H1.11-3

ZT6.5.43-4

15

1/2

65

15

40

20

65

40

1.73

H1.11-4

ZT6.5.43-5

20

3/4

66

21

53

21

90

48

27

2.14

H1.11-5

 

标记示例:直角法兰6 ZT6.5.43-1