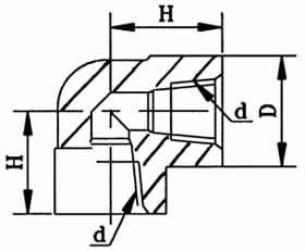
● 三通

|
代号(订货号)
|
公称通径(DN)
|
d(Rc)
|
D
|
L
|
H
|
重量(kg)
|
对应号
|
|
ZT6.5.2-1
|
8
|
1/4
|
23
|
46
|
23
|
0.18
|
H1.1-1
|
|
ZT6.5.2-2
|
10
|
3/8
|
25
|
50
|
25
|
0.25
|
H1.1-2
|
|
ZT6.5.2-3
|
15
|
1/2
|
33
|
58
|
29
|
0.36
|
H1.1-3
|
|
ZT6.5.2-4
|
20
|
3/4
|
38
|
66
|
33
|
0.47
|
H1.1-4
|
|
ZT6.5.2-5
|
25
|
1
|
48
|
78
|
39
|
0.61
|
H1.1-5
|
标记示例:三通8 ZT6.5.2-1
● 异径三通

|
代号(订货号)
|
公称通径
(DN1×DN2×DN3)
|
d
|
d1
|
d2
|
D
|
L
|
H
|
重量
(kg)
|
对应号
|
|
(Rc)
|
|
ZT6.5.3-1
|
10×15×15
|
3/8
|
1/2
|
33
|
58
|
29
|
0.32
|
H1.2-1
|
|
ZT6.5.3-2
|
10×20×20
|
3/8
|
3/4
|
38
|
66
|
33
|
0.45
|
H1.2-2
|
|
ZT6.5.3-3
|
10×10×15
|
3/8
|
1/2
|
33
|
58
|
29
|
0.32
|
H1.2-3
|
|
ZT6.5.3-4
|
15×10×10
|
1/2
|
3/8
|
H1.2-4
|
|
ZT6.5.3-5
|
10×10×20
|
3/8
|
3/4
|
38
|
66
|
33
|
0.48
|
H1.2-5
|
|
ZT6.5.3-6
|
20×10×10
|
3/4
|
3/8
|
H1.2-6
|
|
ZT6.5.3-7
|
15×20×20
|
1/2
|
3/4
|
0.42
|
H1.2-7
|
|
ZT6.5.3-8
|
15×15×20
|
1/2
|
3/4
|
H1.2-8
|
|
ZT6.5.3-9
|
20×15×15
|
3/4
|
1/2
|
0.40
|
H1.2-9
|
标记示例:异径三径 10×15×15 ZT6.5.3-1
● 弯头

|
代号(订货号)
|
公称通径(DN)
|
d(Rc)
|
D
|
H
|
重量(kg)
|
对应号
|
|
ZT6.5.4-1
|
8
|
1/4
|
23
|
0.07
|
H1.3-1
|
|
ZT6.5.4-2
|
10
|
3/8
|
25
|
0.11
|
H1.3-2
|
|
ZT6.5.4-3
|
15
|
1/2
|
33
|
29
|
0.26
|
H1.3-3
|
|
ZT6.5.4-4
|
20
|
3/4
|
38
|
33
|
0.39
|
H1.3-4
|
|
ZT6.5.4-5
|
25
|
1
|
48
|
39
|
0.56
|
H1.3-5
|
标记示例:弯头8 ZT6.5.4-1
● 外接头

|
代号(订货号)
|
公称通径(DN)
|
d(Rc)
|
L
|
L1
|
S
|
D
|
重量(kg)
|
对应号
|
|
ZT6.5.5-1
|
8
|
1/4
|
25
|
11
|
22
|
25.4
|
0.06
|
H1.4-1
|
|
ZT6.5.5-2
|
10
|
3/8
|
30
|
12
|
27
|
31.2
|
0.1
|
H1.4-2
|
|
ZT6.5.5-3
|
15
|
1/2
|
35
|
15
|
32
|
37
|
0.16
|
H1.4-3
|
|
ZT6.5.5-4
|
20
|
3/4
|
40
|
17
|
36
|
41.6
|
0.19
|
H1.4-4
|
|
ZT6.5.5-5
|
25
|
1
|
48
|
20
|
46
|
53.1
|
0.27
|
H1.4-5
|
|
ZT6.5.5-6
|
40
|
1 1/2
|
65
|
23
|
60
|
69.3
|
1.35
|
H1.4-6
|
|
ZT6.5.5-7
|
50
|
2
|
70
|
26
|
75
|
86.6
|
2.22
|
H1.4-7
|
标记示例:外接头8 ZT6.5.5-1
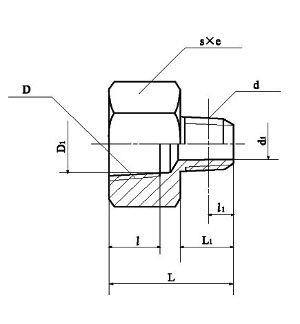
●异径外接头

|
代 号
|
公称通径
DN1×DN2
|
锥管螺纹
|
d1
|
d2
|
l1
|
l2
|
L
|
S
|
e
|
|
D1
|
D2
|
|
SZ20.5-1
|
10×8
|
Rc3/8
|
Rc1/4
|
14.5
|
11
|
12
|
11
|
35
|
27
|
31.2
|
|
SZ20.5-2
|
15×8
|
Rc1/2
|
Rc1/4
|
18
|
11
|
15
|
11
|
45
|
32
|
37
|
|
SZ20.5-3
|
15×10
|
Rc3/8
|
14.5
|
12
|
|
SZ20.5-4
|
20×8
|
Rc3/4
|
Rc1/4
|
23
|
11
|
17
|
11
|
50
|
36
|
41.6
|
|
SZ20.5-5
|
20×10
|
Rc3/8
|
14.5
|
12
|
|
SZ20.5-6
|
20×15
|
Rc1/2
|
18
|
15
|
|
SZ20.5-7
|
25×8
|
Rc1
|
Rc1/4
|
30
|
11
|
19
|
11
|
55
|
46
|
53.1
|
|
SZ20.5-8
|
25×10
|
Rc3/8
|
14.5
|
12
|
|
SZ20.5-9
|
25×15
|
Rc1/2
|
18
|
15
|
|
SZ20.5-10
|
25×20
|
Rc3/4
|
23
|
17
|
|
SZ20.5-11
|
40×20
|
Rc1 1/2
|
Rc3/4
|
44
|
23
|
23
|
17
|
65
|
60
|
69.3
|
|
SZ20.5-12
|
40×25
|
Rc1
|
30
|
19
|
|
SZ20.5-13
|
50×20
|
Rc2
|
Rc3/4
|
56
|
23
|
26
|
17
|
70
|
75
|
86.6
|
|
SZ20.5-14
|
50×25
|
Rc1
|
30
|
19
|
标记示例:锥管螺纹D1和D2分别为Rc1/2和Rc3/8的异径接头:
异径外接头Rc1/2×Rc3/8 SZ20.5-3
● 内接头

|
代号(订货号)
|
公称通径(DN)
|
d(R)
|
d1
|
L
|
L1
|
S
|
D
|
重量(kg)
|
对应号
|
|
ZT6.5.6-1
|
8
|
1/4
|
8
|
34
|
13
|
17
|
19.6
|
0.02
|
H1.5-1或LWGT16-1
|
|
ZT6.5.6-2
|
10
|
3/8
|
10
|
37
|
14
|
22
|
25.4
|
0.03
|
H1.5-2或LWGT16-2
|
|
ZT6.5.6-3
|
15
|
1/2
|
15
|
48
|
18
|
27
|
31.2
|
0.09
|
H1.5-3或LWGT16-3
|
|
ZT6.5.6-4
|
20
|
3/4
|
20
|
52
|
20
|
32
|
37
|
0.12
|
H1.5-4或LWGT16-4
|
|
ZT6.5.6-5
|
8
|
1/4(L)
|
8
|
75
|
13
|
17
|
19.6
|
0.13
|
H1.5-6
|
|
ZT6.5.6-6
|
10
|
3/8(L)
|
10
|
80
|
14
|
22
|
25.4
|
0.18
|
H1.5-7
|
|
ZT6.5.6-7
|
25
|
1
|
25
|
62
|
24
|
36
|
41.6
|
0.23
|
H1.5-5或LWGT16-5
|
标记示例:内接头8 ZT6.5.6-1
● 内外接头

|
代号(订货号)
|
公称通径(DN×DN1)
|
d(R)
|
d1
(Rc)
|
d2
|
L
|
L1
|
S
|
D
|
重量(kg)
|
|
ZT6.5.7-1
|
8×10
|
1/4
|
3/8
|
8
|
30
|
13
|
22
|
25.4
|
0.04
|
|
ZT6.5.7-2
|
10×15
|
3/8
|
1/2
|
10
|
36
|
14
|
27
|
31.2
|
0.08
|
|
ZT6.5.7-3
|
10×20
|
3/8
|
3/4
|
10
|
36
|
14
|
32
|
37
|
0.15
|
|
ZT6.5.7-4
|
15×20
|
1/2
|
3/4
|
15
|
42
|
18
|
32
|
37
|
0.21
|
|
ZT6.5.7-5
|
15×25
|
1/2
|
1
|
15
|
44
|
18
|
36
|
41.6
|
0.31
|
标记示例:内外接头8×10 ZT6.5.7-1
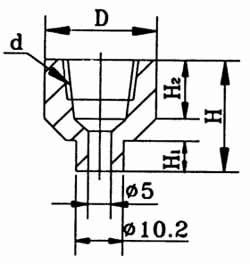
● 分管接头体

|
代号(订货号)
|
d(Rc)
|
D
|
H
|
H1
|
H2
|
重量(kg)
|
|
ZT6.5.12-1
|
1/4
|
24
|
22.5
|
4
|
15
|
0.053
|
|
ZT6.5.12-2
|
3/8
|
27
|
31
|
6
|
20
|
0.082
|
标记示例:分管接头体Rc1/4 ZT6.5.12-1
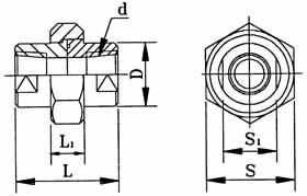
● 活接头

|
代号(订货号)
|
公称通径
(DN)
|
d
(Rc)
|
D
|
L
|
L1
|
S
|
S1
|
“O”型密封圈
GB1235-76
|
重量
(kg)
|
对应号
|
|
ZY436.1.00
|
8
|
1/4
|
21
|
38
|
18
|
32
|
19
|
20×2.4
|
0.156
|
YF01.1
|
|
ZY436.2.00
|
10
|
3/8
|
25
|
36
|
22
|
24×2.4
|
0.193
|
YF01.2
|
|
ZY436.3.00
|
15
|
1/2
|
31
|
44
|
20
|
46
|
27
|
30×3.1
|
0.334
|
YF01.3
|
|
ZY436.4.00
|
20
|
3/4
|
36
|
50
|
26
|
54
|
32
|
35×3.1
|
0.511
|
YF01.4
|
|
ZY436.5.00
|
25
|
1
|
50
|
60
|
30
|
65
|
46
|
40×3.1
|
0.81
|
YF01.5
|
标记示例:活接头Rc1/4 ZY436.1.00
● 逆向内外接头

|
代 号
|
公称通径
(DN1×DN2)
|
锥管螺纹
|
D1
|
d1
|
L
|
L1
|
I
|
I1
|
S
|
e
|
|
D
|
d
|
|
SZ20.6-1
|
10×8
|
Rc3/8
|
R1/4
|
14.5
|
8
|
31
|
13
|
13
|
6.0
|
27
|
31.2
|
|
SZ20.6-2
|
15×8
|
Rc1/2
|
R1/4
|
18
|
8
|
36
|
13
|
15
|
6.0
|
32
|
37
|
|
SZ20.6-3
|
15×10
|
R3/8
|
10
|
37
|
14
|
6.4
|
|
SZ20.6-4
|
20×8
|
Rc3/4
|
R1/4
|
23
|
8
|
38
|
13
|
17
|
6.0
|
36
|
41.6
|
|
SZ20.6-5
|
20×10
|
R3/8
|
10
|
39
|
14
|
6.4
|
|
SZ20.6-6
|
20×15
|
R1/2
|
15
|
42
|
17
|
8.2
|
|
SZ20.6-7
|
25×8
|
Rc1
|
R1/4
|
30
|
8
|
40
|
13
|
19
|
6.0
|
46
|
53.1
|
|
SZ20.6-8
|
25×10
|
R3/8
|
10
|
41
|
14
|
6.4
|
|
SZ20.6-9
|
25×15
|
R1/2
|
15
|
44
|
17
|
8.2
|
|
SZ20.6-10
|
25×20
|
R3/4
|
20
|
46
|
19
|
9.5
|
|
SZ20.6-11
|
40×20
|
Rc1 1/2
|
R3/4
|
44
|
20
|
52
|
19
|
23
|
9.5
|
60
|
69.3
|
|
SZ20.6-12
|
40×25
|
R1
|
25
|
55
|
22
|
10.4
|
|
SZ20.6-13
|
50×20
|
Rc2
|
R3/4
|
56
|
20
|
54
|
19
|
26
|
9.5
|
75
|
86.6
|
|
SZ20.6-14
|
50×25
|
R1
|
25
|
57
|
22
|
10.4
|
标记示例:
锥管螺纹 D 为 RC3/8,d 为 R1/4 的逆向内外接头:
内外接头 RC3/8 × R1/4 SZ20.6-1 |