●接头45°

|
代号(订货号)
|
管子外径
|
D
|
D1
|
D0
|
H
|
H1
|
重量(kg)
|
对应号
|
|
ZT6.5.13-4
|
22
|
16
|
22.5
|
43
|
28
|
14
|
0.51
|
CRGT14-1
|
|
ZT6.5.13-5
|
28
|
20
|
28.5
|
49
|
32
|
16
|
0.65
|
CRGT14-2
|
|
ZT6.5.13-6
|
34
|
24
|
35
|
59
|
34
|
17
|
0.72
|
CRGT14-3
|
|
ZT6.5.13-1
|
42
|
30
|
42.5
|
68
|
36
|
18
|
0.83
|
CRGT14-4
|
|
ZT6.5.13-2
|
48
|
38
|
48.5
|
70
|
41
|
20
|
0.92
|
CRGT14-6
|
|
ZT6.5.13-7
|
50
|
38
|
52
|
78
|
40
|
20
|
0.95
|
CRGT14-5
|
|
ZT6.5.13-3
|
60
|
48
|
60.5
|
80
|
48
|
23
|
1.43
|
CRGT14-9
|
|
ZT6.5.13-8
|
76
|
60
|
78
|
113
|
48
|
24
|
1.52
|
CRGT14-7
|
|
ZT6.5.13-9
|
89
|
70
|
91
|
130
|
52
|
26
|
1.85
|
CRGT14-8
|
标记示例:
接头42 ZT6.5.13-1 或 42 CRGT14-4
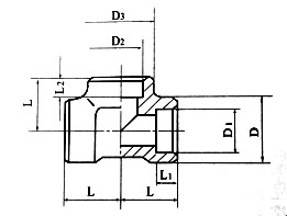
●变径接头

|
代号(订货号)
|
管子外径(D0)
|
D
|
D1
|
D2
|
D3
|
L
|
L1
|
重量(kg)
|
|
ZT6.5.31-1
|
34×42
|
34.5
|
55
|
25
|
41
|
48
|
17
|
0.48
|
|
ZT6.5.31-2
|
42×48
|
42.5
|
60
|
32
|
48
|
52
|
18
|
0.54
|
|
ZT6.5.31-3
|
48×60
|
48.5
|
70
|
38
|
60
|
56
|
20
|
0.87
|
标记示例:
变径接头34×42 ZT6.5.31-1
●接头
ZT6.5.33重量0.58kg

●三通

|
代号(订货号)
|
管子外径(D0)
|
D+0.4
+0.2
|
D1
|
D2
|
L
|
L1
|
L2
|
B
|
R
|
重量
(kg)
|
对应号
|
|
ZT6.5.36-1
|
18
|
18.5
|
12
|
27
|
27
|
17
|
12
|
24
|
12
|
0.18
|
H1.12-1
|
|
ZT6.5.36-2
|
22
|
22.5
|
16
|
33
|
29
|
19
|
13
|
28
|
14
|
0.27
|
H1.12-2
|
|
ZT6.5.36-3
|
28
|
28.5
|
20
|
41
|
35
|
20
|
14
|
36
|
18
|
0.45
|
H1.12-3
|
|
ZT6.5.36-4
|
34
|
34.5
|
25
|
47
|
39
|
22
|
16
|
44
|
22
|
0.59
|
H1.12-4
|
|
ZT6.5.36-5
|
42
|
42.5
|
32
|
57
|
45
|
24
|
18
|
52
|
26
|
0.62
|
H1.12-5
|
|
ZT6.5.36-6
|
48
|
48.5
|
36
|
64
|
52
|
28
|
20
|
60
|
30
|
1.35
|
H1.12-6
|
|
ZT6.5.36-7
|
60
|
61
|
48
|
76
|
61
|
30
|
23
|
72
|
36
|
2.20
|
H1.12-7
|
标记示例:
三通18 ZT6.5.36-1
●弯头

|
代号(订货号)
|
管子外径(D0)
|
D+0.4
+0.2
|
D2
|
L1
|
L2
|
重量(kg)
|
对应号
|
|
ZT6.5.37-1
|
18
|
18.5
|
27
|
13
|
26.5
|
0.17
|
H1.13-1
|
|
ZT6.5.37-2
|
22
|
22.5
|
33
|
29
|
0.27
|
H1.13-2
|
|
ZT6.5.37-3
|
28
|
28.5
|
39
|
16
|
35
|
0.41
|
H1.13-3
|
|
ZT6.5.37-4
|
34
|
34.5
|
47
|
17
|
39
|
0.68
|
H1.13-4
|
|
ZT6.5.37-5
|
42
|
42.5
|
57
|
18
|
45
|
1.12
|
H1.13-5
|
|
ZT6.5.37-6
|
48
|
48.5
|
63
|
20
|
52
|
1.26
|
H1.13-6
|
|
ZT6.5.37-7
|
60
|
61
|
76
|
23
|
61
|
1.80
|
H1.13-7
|
标记示例:弯头18 ZT6.5.37-1
●直通

|
代号(订货号)
|
管子外径(D0)
|
D
|
D1
|
L
|
L1
|
重量
(kg)
|
对应号
|
|
ZT6.5.38-1
|
18
|
18.5
|
28
|
32
|
12
|
0.12
|
H1.14-1
|
|
ZT6.5.48-2
|
22
|
22.5
|
33
|
36
|
13
|
0.19
|
H1.14-2
|
|
ZT6.5.48-3
|
28
|
28.5
|
39
|
42
|
16
|
0.35
|
H1.14-3
|
|
ZT6.5.38-4
|
34
|
34.5
|
47
|
46
|
17
|
0.41
|
H1.14-4
|
|
ZT6.5.38-5
|
42
|
42.5
|
57
|
48
|
18
|
0.61
|
H1.14-5
|
|
ZT6.5.38-6
|
48
|
48.5
|
63
|
54
|
20
|
0.72
|
H1.14-6
|
|
ZT6.5.38-7
|
60
|
61
|
76
|
62
|
23
|
1.38
|
H1.14-7
|
标记示例:标记示例:
直通18 ZT6.5.38-1
●变径直通

|
代号(订货号)
|
管子外径(D0)
|
D
|
D1+0.4
+0.2
|
D2+0.4
+0.2
|
L
|
L1
|
L2
|
重量(kg)
|
对应号
|
|
ZT6.5.39-1
|
18×14
|
32
|
18.5
|
14.5
|
32
|
12
|
10
|
0.16
|
H1.15-1
|
|
ZT6.5.39-2
|
22×18
|
35
|
22.5
|
18.5
|
36
|
13
|
12
|
0.20
|
H1.15-2
|
|
ZT6.5.39-3
|
28×18
|
40
|
28.5
|
42
|
16
|
0.30
|
H1.15-3
|
|
ZT6.5.39-4
|
28×22
|
22.5
|
13
|
0.28
|
H1.15-4
|
|
ZT6.5.39-5
|
34×22
|
48
|
34.5
|
46
|
17
|
0.52
|
H1.15-5
|
|
ZT6.5.39-6
|
34×28
|
28.5
|
16
|
0.48
|
H1.15-6
|
|
ZT6.5.39-7
|
42×28
|
60
|
42.5
|
48
|
18
|
0.76
|
H1.15-7
|
|
ZT6.5.39-8
|
42×34
|
34.5
|
17
|
0.69
|
H1.15-8
|
|
ZT6.5.39-9
|
48×34
|
65
|
48.5
|
54
|
20
|
0.95
|
H1.15-9
|
|
ZT6.5.39-10
|
48×42
|
42.5
|
18
|
1.17
|
H1.15-10
|
|
ZT6.5.39-11
|
60×42
|
80
|
61
|
62
|
23
|
1.70
|
H1.15-11
|
标记示例:变径直通18×14 ZT6.5.39-1
●变径三通

|
代 号
|
管子外径(D0)
|
D1
|
D2
|
D
|
D3
|
L1
|
L2
|
L
|
|
SZ20.5-1
|
22×18
|
22.5
|
18.5
|
33
|
28
|
13
|
12
|
30
|
|
SZ20.5-2
|
28×18
|
28.5
|
18.5
|
39
|
28
|
16
|
12
|
33
|
|
SZ20.5-3
|
28×22
|
28.5
|
22.5
|
39
|
33
|
16
|
13
|
33
|
|
SZ20.5-4
|
34×18
|
34.5
|
18.5
|
47
|
28
|
17
|
12
|
36
|
|
SZ20.5-5
|
34×28
|
34.5
|
28.5
|
47
|
39
|
17
|
16
|
36
|
|
SZ20.5-6
|
42×18
|
42.5
|
18.5
|
57
|
28
|
18
|
12
|
33
|
|
SZ20.5-7
|
42×28
|
42.5
|
28.5
|
57
|
39
|
18
|
16
|
38
|
|
SZ20.5-8
|
42×34
|
42.5
|
34.5
|
57
|
47
|
18
|
17
|
42
|
|
SZ20.5-9
|
48×18
|
48.5
|
18.5
|
63
|
28
|
20
|
12
|
35
|
|
SZ20.5-10
|
48×28
|
48.5
|
28.5
|
63
|
39
|
20
|
16
|
40
|
|
SZ20.5-11
|
48×34
|
48.5
|
34.5
|
63
|
47
|
20
|
17
|
44
|
|
SZ20.5-12
|
48×42
|
48.5
|
42.5
|
63
|
57
|
20
|
18
|
49
|
|
SZ20.5-13
|
60×42
|
61
|
42.5
|
76
|
57
|
23
|
18
|
52
|
|
SZ20.5-14
|
60×48
|
61
|
48.5
|
76
|
63
|
23
|
20
|
56
|
标记示例:变径三通22×18 SZ20.5-1
●变径接头

|
代号(订货号)
|
D1±0.5
|
D2+0.4
+0.2
|
L1
|
L2
|
L3
|
重量(kg)
|
对应号
|
|
ZT6.5.41-1
|
22
|
18.5
|
13
|
17
|
34
|
0.07
|
H1.16-1
|
|
ZT6.5.41-2
|
28
|
9
|
25
|
0.08
|
H1.16-2
|
|
ZT6.5.41-3
|
34
|
0.15
|
H1.16-3
|
|
ZT6.5.41-4
|
42
|
11
|
26
|
0.25
|
H1.16-4
|
|
ZT6.5.41-5
|
48
|
12
|
13
|
29
|
0.41
|
H1.16-5
|
|
ZT6.5.41-6
|
28
|
22.5
|
13
|
20
|
38
|
0.13
|
H1.16-6
|
|
ZT6.5.41-7
|
34
|
9
|
25
|
H1.16-7
|
|
ZT6.5.41-8
|
42
|
26
|
0.23
|
H1.16-8
|
|
ZT6.5.41-9
|
48
|
14
|
11
|
29
|
0.31
|
H1.16-9
|
|
ZT6.5.41-10
|
34
|
28.5
|
16
|
19
|
42
|
0.30
|
H1.16-10
|
|
ZT6.5.41-11
|
42
|
12
|
48
|
0.34
|
H1.16-11
|
|
ZT6.5.41-12
|
48
|
10
|
29
|
0.36
|
H1.16-12
|
|
ZT6.5.41-13
|
42
|
34.5
|
17
|
0.25
|
|
|
ZT6.5.41-14
|
48
|
13
|
35
|
0.38
|
CRGT15-12
|
|
ZT6.5.41-15
|
60
|
0.59
|
CRGT15-13
|
|
ZT6.5.41-16
|
48
|
42.5
|
18
|
0.33
|
|
|
ZT6.5.41-17
|
60
|
0.51
|
|
|
ZT6.5.41-18
|
48.5
|
20
|
17
|
42
|
0.61
|
|
|
ZT6.5.41-19
|
18.5
|
12
|
12
|
35
|
0.83
|
|
|
ZT6.5.41-20
|
28.5
|
16
|
7
|
0.61
|
CRGT15-9
|
标准示例:变径直通22×18ZT6.5.41-1
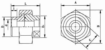
●活接头

|
代号(订货号)
|
管子外径
(D0)
|
d+0.4
+0.2
|
D
|
D1
|
L
|
I
|
A
|
B
|
C
|
“O”型密封圈
|
重量(kg)
|
对应号
|
|
ZY437.1.00
|
14
|
14.5
|
22
|
24
|
38
|
10
|
32
|
36.9
|
21
|
20×2.4
|
0.152
|
YF02.1
|
|
ZY437.2.00
|
18
|
185
|
27
|
30
|
38
|
10
|
41
|
47.3
|
26
|
30×3.1
|
0.262
|
TF02.2
|
|
ZY437.3.00
|
22
|
22.5
|
32
|
35
|
44
|
10
|
50
|
57.7
|
32
|
35×3.1
|
0.357
|
YF02.3
|
|
ZY437.4.00
|
28
|
28.5
|
38
|
42
|
50
|
13
|
60
|
69.3
|
38
|
40×3.1
|
0.686
|
YF02.4
|
|
ZY437.5.00
|
34
|
34.5
|
47
|
52
|
56
|
13
|
70
|
80.8
|
46
|
45×3.1
|
1.02
|
YF02.5
|
标记示例:活接头14 ZY437.1.00 |