您好,欢迎启东市神舟润滑设备制造有限公司!

全国服务热线:0513-83227070

子页面大图广告
启东市神舟润滑设备制造有限公司

地址:启东市惠萍镇西侧工业园区

电话:0513-83227070
    0513-83797070

传真:0513-83223806

手机:13016796801
    13584729328

您当前的位置:首页 >> 干油电气控制箱 >> DEA-2L型电气控制箱
 
DEA-2L型电气控制箱

 加入时间:2018-5-21 16:36:22  

一、用途
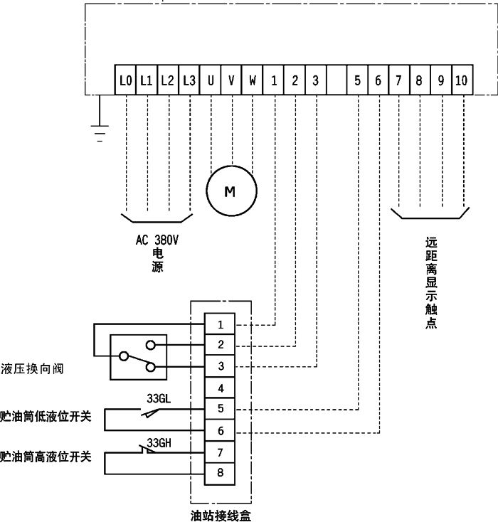
      DEA-2L型电气控制箱,用于自动控制一套由U-※※AL环式电动干油润滑系统,在油泵经过任意的间隔时间后、自动地使油泵运转,给油完成后自动停止。
      控制箱能发出“供油时间延长”、“油箱液位低”、“超负载运转”三种故障信号。设有一组外部接点,可向主机或主控室发送润滑系统运转状况(停止、运转、故障)信号。

二、外形尺寸

三、标牌符号及文字

序号

符号

标牌文字

序号

符   号

标牌文字

1

1HL

电源

5

5HL

油箱液位低

2

2HL

停止

6

6HL

超负荷运转

3

3HL

运转

7

SO

任意运转

4

4HL

供油时间延长

8

S1

故障复位

四、DEA-2L 型电气控制箱接线端子图

五、使用说明

      1、适用于主电源 3N 50Hz AC 380V。
      2、适用环境温度 -10℃~40℃,湿度 90%。
      3、周围环境无导电的介质(气体、液体)。
      4、垂直安装,其倾斜度不大于 5°。