您好,欢迎启东市神舟润滑设备制造有限公司!

全国服务热线:0513-83227070

子页面大图广告
启东市神舟润滑设备制造有限公司

地址:启东市惠萍镇西侧工业园区

电话:0513-83227070
    0513-83797070

传真:0513-83223806

手机:13016796801
    13584729328

您当前的位置:首页 >> 干油电气控制箱 >> R1902型电气控制箱
 
R1902型电气控制箱

 加入时间:2018-5-21 16:40:25  

一、用途
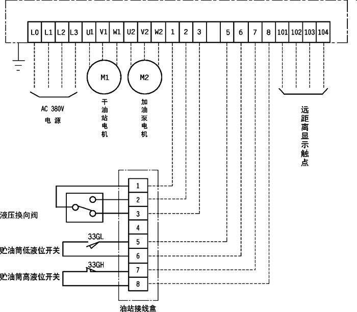
      R1902型电控箱,用于自动控制一套由U-※※AL型环式电动润滑泵与补脂泵组成的干油润滑系统,即在DEA-2L型电控箱的基础上,增加了补脂泵自动控制部分。能对系统中的供油点实现自动供油,供油完成后,自动停止。油箱中液位低于一定限度时,补脂泵自动启动,注满油后,自动停止。
      控制箱能发出“供油时间延长”、“加油泵超载”、“超负载运转”等故障信号。箱内设有一组外部接点,可向主机或主控室发送系统运转状况(停止、运转、故障)信号。

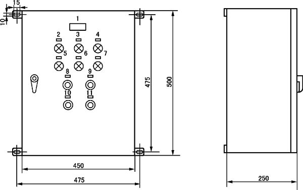
二、外形尺寸

三、标牌符号及文字

序号

符   号

标牌文字

序号

符   号

标牌文字

1

PC

计数器

7

HL4

油箱液位低

2

HL1

电源

8

SB1

任意运转

3

HL2

干油站工作

9

SB2

故障复位

4

HL6

加油泵工作

10

SB3

加油泵启动

5

HL3

供油时间延长

11

SB4

加油泵停止

6

HL6

超负载运转

     

 

四、R1902型电气控制箱接线端子图