1、双线式干油集中润滑系统
双线式集中润滑系统是集中润滑的一种主要方式(又称FARVAL方式)。双线式集中润滑系统主要由润滑泵、换向阀 (通常设置在润滑泵上)、双线分配器、电控箱和两条供油管组成。润滑泵输出的润滑脂经过换向阀交替由两条供油管 输送到双线分配器,经过双线分配器定量分配,送往各个润滑点。
供油管内的压力达到分配器动作所需的压力,分配器就能动作。而分配器动作完成又使供油管内压力继续上升,当 供油管内各处的压力都超过分配器动作所需的压力,分配器全部动作,系统完成了一次给油运行。因此,双线式集中 润滑系统通过控制供油管内的压力保障分配器动作,完成系统的给油运行。
双线式集中润滑系统按驱动方式和配管方式可分为下列三大类:
1、手动润滑泵终端式系统
2、电动润滑泵终端式系统
3、电动润滑泵环式系统
工作原理
双线式集中润滑使用两条供油管交替供油,当其中一条由润滑泵供油时,另一条则向贮油器开放。双线分配器有 两个进油口,分别与两根供油管连接。
如下图所示,润滑泵①从贮油器②吸入润滑脂,经过换向阀③由供油管5a输送到分配器,进入分配器后加压于先 导活塞4a。先导活塞下腔与供油管5b连通,经换向阀③向贮油器开放。(A图)

先导活塞4a在供油压力的作用下,移动到下端,使主活塞4b上腔与先导活塞上腔连通,主活塞下腔与出油口连通,供送的润滑脂进入主活塞上腔,推动主活塞下移,将其下腔的润滑脂经给油管⑥压送到润滑点(B图)。给油量由主活塞4b的直径和行程确定。
切换供油管,分配器活塞按相同的顺序反向进行前述动作,分配器得以循环工作。
结构特点
1、给油定量准确
分配器采用容积计量,给油量不受外界因素的影响。并且分配器有给油量微调机构,可以准确地调整给油量。
2、给油可靠
由润滑泵输出的高压润滑脂直接推动分配器主活塞向润滑点压送润滑脂,压力高,因此给油可靠。
3、润滑点可以増减,给油量可以调整
系统安装以后,仍然可以增减润滑点,调整给油量,而不影响系统的正常运行。
4、配管简单
可以任意从主管上引支管接分配器,根据润滑点的分布选择最简便的管线。
5、给油的范围大,点数多。
二、双线润滑系统常见的几种给油方式
1、手动润滑泵终端式系统
由换向阀1a的位置决定润滑泵①输出的润滑脂经两条供油主管的某一条供送,另一条向贮油器开放。
双线分配器②全部动作完毕,供油压力急剧上升。可用供油压力是否达到预先确认的数值判断系统给油工作是否 已经完成。
系统再次进行给油运行时,换向阀1a处于相反位置。供油主管压送和开放交换。
该系统简单,设备费用低。
适用于给油间隔时间长,润滑点少的场合,也可与其它系统配合,润滑某些特殊的部位。
组成部分编号及名称
① SRB-J(L)(FB)型手动润滑泵
1a 手动换向阀
② DSPQ-L、SSPQ-L(DW、DV)型分配器
③干油过滤器
④JPQ-L(LV)型分配器
⑤单向阀接头

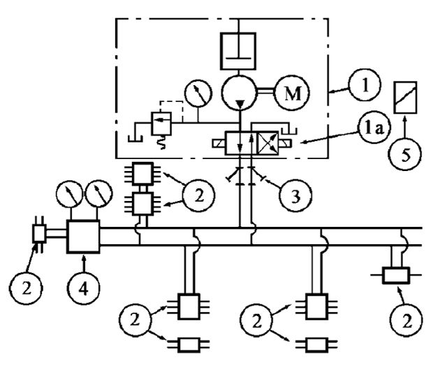
2、电动润滑泵终端式系统
电控箱⑤内的时间继电器使系统按照设定的给油间隔时间自动运转,指令时间继电器用“给油时间延长”表示给油工作的异常。此外,还有“贮油器空”、“过负荷运转”等报譬信号。指令时间继电器按系统一次给油工作实际所需时间加2-5分钟调整。
供油主管末端装有压力操纵阀④,当末端压力达到设定压力,向电控箱发送信号,电磁换向阀1a换向,润滑泵①停止,系统一次给油工作完成。经过设定的时间间隔后,系统再次工作,从另一条主油管供油。
系统设计通常按给油时间5分钟以内(最高8分钟以内)设计,压力操纵阀标准设计压力为4MPa。
压力操纵阀设置在供油主管末端,后面需加置一块分配器(见右图双点线框内)。
采用末端压力作为系统给油工作完成的控制参数,设计容易,故适用于润滑点散布较广的场合。

组成部分编号及名称
① DRB-L (U-※※AE)型电动润滑泵
1a DEF-10(SV-32)型电磁换向阀
② DSPQ-L、SSPQ-L (DW、DV)型分配器
③干油过滤器
④ YZF-UPV-2E)型压力操纵阀
⑤ DEA-2E型电控箱
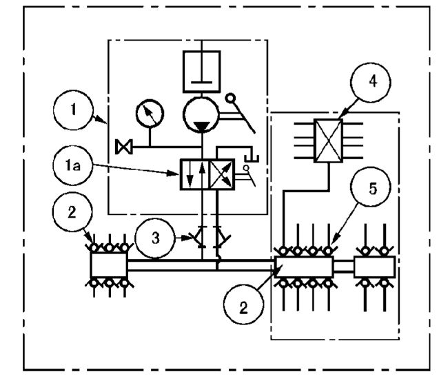
3、电动润滑泵环式系统
电控箱④内的时间继电器使系统按照设定的给油间隔时间自动运转,指令时间继电器用“给油时间延长”表示给油工作异常,此外,还有“贮油器空”、“过负荷运转”等报譬信号。指令时间继电器按系统一次给油工作实际所需时间加2-5分钟调整。
液压换向阀1a具有切换两条供油主管和控制供油主管末 端压力的功能,当供油的主管末端压力达到液压换向阀的设定压力时,液压换向阀换向,并向电控箱发送信号,润滑泵① 停止,系统一次给油完成。经过设定的时间间隔后,系统再次工作,从另一条主油管供油。
系统设计通常按给油时间5分钟以内(最高8分钟以内)设计、液压换向阀标准设定压力为5MPa。
该系统供油管末端压力直接控制换向阀换向,动作可靠。换向阀置于润滑泵上,便于调整,维护,适用于润滑点比较集中的场合。

组成部分编号及名称
① DRB-L(U-※※AL型)型电动润滑泵
1a YHF(RV)型液压换向阀
② DSPQ-L、SSPQ-L(DW、DV)型分配器
③ 干油过滤器
④ DEA-2L型电控箱
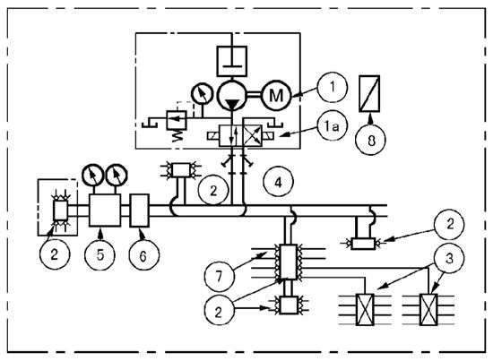
4、电动润滑泵二级分配系统
基本动作和前述电动终端式系统相同;二次分配由双线式分配器②的出油口接二次供油管向递进式分配器③供油,这样,双线式分配器一个出油口可向4-8个润滑点给油。
为了在分配器②和③之间的配管较长的情况下,分配器③动作有充分的保证,采用了压力控制阀⑥,使主管压力提高。压力控制阀装在距压力操纵阀⑤1 米以内的主管上。
压力操纵阀后需布置一块双线式分配器(见右图双点划线框内),这块分配器上不要再接递进式分配器,进行二次分配。压力操纵阀一般安装在压力损失最大的供油主管末端。
电动环式系统也能布置二级分配,压力控制阀安 装在距液压换向阀回油口1米以内的主管上。
该系统适用于润滑点众多,给油量相同,分布集 中,空间狭小难于确认分配器动作的场合;和压力操 纵阀配合使用时可以采用细长的管路,检查部位集中,便于维护管理,使用效果好。

组成部分编号及名称
① DRB-L(U-※※AE型)型电动润滑泵
1a DEF-10(SV-32)型电磁换向阀
② DSPQ-L、SSPQ-L (DW、DV)型分配器
③ JPQ-L(LV)型分配器
④干油过滤器
⑤ YZF-L4 (PV-2E)型压力操纵阀
⑥ DR型压力控制阀
⑦单向阀接头
⑧ DEA-2E型电控箱
三、双线润滑系统设备及元件
|
驱动
方式
|
配管
方式
|
润 滑 泵
|
系统公称
压力MPa
|
换向阀
|
电控箱
|
|
型 号
|
流量
mL/min
|
贮油器
容积L
|
电动机
功率kw
|
|
标准型号
|
引进型号
|
|
手
动
式
|
终
端
式
|
SRB-J7Z-2
|
FB-4A
|
7mL/
每循环
|
2
|
|
10
|
手动换向 阀(设置在润滑泵内)
|
|
|
SRB-J7Z-5
|
FB-6A
|
5
|
|
SRB-L3.5Z-2
|
FB-42A
|
3.5mL/
每循环
|
2
|
|
20
|
|
SRB-L3.5Z-5
|
FB-62A
|
5
|
|
电
动
式
|
终
端
式
|
DRB-L60Z-Z
|
U-25AE
|
60
|
20
|
0.37
|
20
|
DEF-10型 电磁换向阀 和YZF-L4压力操纵阀
|
DEA-2E
R1904
|
|
DRB-L195Z-Z
|
U-4AE
|
195
|
35
|
0.75
|
|
DRB-L585Z-Z
|
U-5AE
|
585
|
90
|
1.5
|
|
环
式
|
DRB-L60Z-H
|
U-25AL
|
60
|
20
|
0.37
|
YHF型
(RV-4U或
RV-3)液压
换向阀
|
DEA-2L
R1902
|
|
DRB-L195Z-H
|
U-4AL
|
195
|
35
|
0.75
|
|
DRB-L585Z-H
|
U-5AL
|
585
|
90
|
1.5
|
|
DRB-J60Y-H
|
U-25DL
|
60
|
16
|
0.37
|
10
|
|
DRB-J195Y-H
|
U-4DL
|
195
|
26
|
0.75
|
|
终
端
式
|
SZA-IV-P200
|
|
200
|
60
|
1.1
|
40
|
24EJF-P
换向阀和
YCK-P5压
差开关
|
GDK01
GDK02
GDK03
|
|
SZA-IV-P400
|
400
|
60、100
|
1.1
|
|
SZA-IV-P800
|
800
|
100
|
2.2
|
|
DRB-P120Z
|
BS-B
|
120
|
30、60
|
0.75
|
|
DRB-P235Z
|
235
|
30、60、100
|
1.5
|
|
DRB-P365Z
|
365
|
60、100
|
|
分 配 器
|
|
型 号
|
公称压力
MPa
|
给油量
mL/每次
|
|
标准型号(JB/ZQ4560-97)
|
原型号
|
|
SSPQ-L1
|
DW-20
|
20
|
0.15~0.6
|
|
SSPQ-L2
|
DW-30
|
0.2~1.2
|
|
SSPQ-L3
|
DW-40
|
0.6~2.5
|
|
SSPQ-L4
|
DW-50
|
1.2~5.0
|
|
DSPQ-L1
|
DV-30
|
0.2~1.2
|
|
DSPQ-L2
|
DV-40
|
0.6~2.5
|
|
DSPQ-L3
|
DV-50
|
1.2~5.0
|
|
DSPQ-L4
|
DV-60
|
3.0~14.0
|
|
SSPQ-P0.5
|
ZV-B0.5
|
40
|
0~0.5
|
|
SSPQ-P1.5
|
ZV-B1.5
|
0~1.5
|
|
SSPQ-P3.0
|
ZV-B3.0
|
0~3
|
说明:
1、向润滑泵的贮油器充填润滑脂时必须使用加油泵从补给油口进行。
2、系统中还可使用压力控制阀和 JPQ-L 型分配器,可参见电动润滑泵终端式二级分配系统。 |