您好,欢迎启东市神舟润滑设备制造有限公司!

全国服务热线:0513-83227070

子页面大图广告
启东市神舟润滑设备制造有限公司

地址:启东市惠萍镇西侧工业园区

电话:0513-83227070
    0513-83797070

传真:0513-83223806

手机:13016796801
    13584729328

您当前的位置:首页 >> 给油器、双线分配器 >> VSL-KR系列双线分配器(40MPa)
 
VSL-KR系列双线分配器(40MPa)

 加入时间:2018-5-24 9:08:06  

一、概述

     VSL-KR型双线分配器上下面均有给油口,分配器活塞正反向动作时分别从上面和下面的给油口排出润滑脂;在相应上、下给油口内设有合二为一的排油结构,要改变奇数出油,只需将孔内的螺钉拧出即可。还可以从指示杆的动作直接观察分配器的工作情况,同时还可以通过调整螺钉在规定范围内调整各出油口的给油量。
     该型分配器适用于公称压力为40MPa的双线式干油集中润滑系统中,在两条供油主管交替的供油压力作用下,直接由供油压力控制活塞动作给油,完成向润滑点定量分配润滑脂的功能。

二、技术参数

型  号

公称压力
MPa

动作压力
MPa

额定给油量
mL/循环

调整螺钉每转
一圈调整量mL

VSL※-KR

40

≤1.0

0~5

0.15

使用介质为锥入度不低于265(25℃,150g)1/10mm的润滑脂(NLG10#~2#)或粘度等级大于N68的润滑油;使用环境温度为-10~80℃;使用介质为润滑油时,请在20MPa压力下使用。

三、型号说明


 

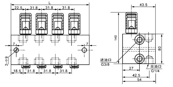
四、外形尺寸



型  号

VSL2-KR

VSL4-KR

VSL6-KR

VSL8-KR

出油口数

2

4

6

8

L(mm)

44.5

76

108

140

五、使用说明
     若需相应上下出口合并时,只需将上出油孔内的压紧螺塞用 6mm 内六角扳手拧出,取出分油套通孔向下装入,再 拧紧压紧螺塞,此时上出口用 G1/4 螺塞封堵以防灰尘侵入。

六、订货须知
     分配器安装使用环境温度在 -10~80℃以外的必须在订货合同中注明,以便供货时提供耐低、高温油封。