一、双线分配器技术参数及外形尺寸
|
型 号
|
公称压力
MPa
|
动作压力
MPa
|
额定给油量ml/CY
|
调整螺丝每圈
调整量ml
|
损失量
ml
|
适用介质
|
|
AG6-*
|
40
|
≤1
|
0.25~3
|
0.11
|
0.8
|
针入度不低于265(25℃,150g)1/10mm的润滑脂(NLGIO0#~2#)。
|
|
AGG6-*
|
2.5~14
|
0.45
|
0.8
|
AG6-*:
|
型 号
|
AG6-2
|
AG6-4
|
AG6-6
|
AG6-8
|
|
L
|
57
|
80
|
103
|
126
|
|
I
|
41
|
64
|
87
|
110
|
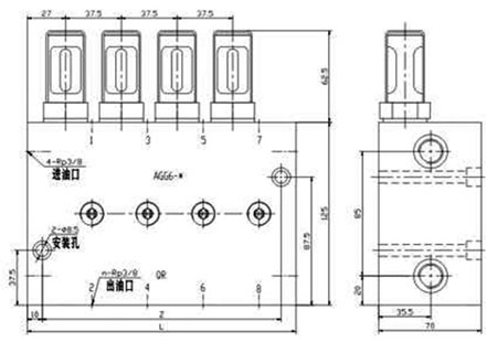
AGG6-*:
|
型 号
|
AGG6-2
|
AGG6-4
|
AGG6-6
|
AGG6-8
|
|
出油口数
|
2
|
4
|
6
|
8
|
|
L
|
69
|
107
|
145
|
183
|
|
Z
|
49
|
87
|
125
|
163
|
二、型号说明
 |
AG6-*系列双线分配器,为双向出油结构,即出油口设在上下平面上,活塞正反向动作,分别从上和下出口排油。 |
三、使用安装

1、必须在规定的环境下使用规定的介质。
2、在灰尘大、潮湿、环境恶劣的场合下使用应配备防护箱。
3、给油量的调整度在指示杆缩回去的状态下进行,调整完毕后将锁紧螺丝拧紧。
4、在分配器上下对应出油口间设有合二为一的并油通路,易改奇数出油,使用时只需更换不同转换器即可实现。
5、与分配器安装的面应光滑平整,安装螺栓不宜拧得过紧,以免影响正常工作。
四、安装附件
AG6-*:
 |
|
规 格
|
AG6-2CB
|
AG6-4CB
|
AG6-6CB
|
AG6-8CB
|
|
L
|
57
|
80
|
103
|
126
|
|
I
|
41
|
64
|
87
|
110
|
GB70螺钉M8×55二件/台
|
|
AGG6-*:
 |
|
规 格
|
AGG6-2CB
|
AGG6-4CB
|
AGG6-6CB
|
AGG6-8CB
|
|
L
|
69
|
107
|
145
|
183
|
|
Z
|
49
|
87
|
125
|
163
|
GB70螺钉M8×75二件/台
|
|
|