| |
JPQ系列递进分配器(20MPa)JB/ZQ4703-98
加入时间:2018-5-23 9:49:28 |
|
一、概述
JPQ系列递进分配器是由中碳合金结构钢制造的首片、尾片和3~8片根据设计需要给油量和出油口数的中间体组合而成。
每个系列的中间片除该系列中给油量最小的规格(含单出油口和双出油口)以外,其他规格都有带循环指示器的型式。
|
|
|
| 二、技术参数 |
|
|
分配器系列
|
JPQ1
|
JPQ2
|
JPQ3
|
|
公称压力Mpa
|
20
|
|
最小动作压力Mpa
|
0.7
|
1.2
|
|
允许最大动作频率 次/min
|
200
|
180 |
|
中间片规格
|
8T,8S
|
16T,16S
|
40T,40S
|
|
16T,16S
|
24T,24S
|
80T,80S
|
|
24T,24S
|
32T,32S
|
120T,120S
|
|
|
40T,40S
|
160T,160S
|
|
|
48T,48S
|
200T,200S
|
|
|
56T,56S
|
240T,240S
|
|
1、一块中间片的活塞往复一个双行程为一次循环,一台分配器的每块中间片均动作一次循环是该台分配器的一次循环,一台分配器的所有中间片在单位时间内的循环次数之和是该台分配器的动作频率。
2、工作环境温度-30~+80℃。
3、使用介质为锥入度不低于290(25℃,150g)1/10mm,过滤精度不低于100mm的润滑脂或粘度不低于17cSt,过滤精度不低于25μm的润滑油。 |
| |
|
中间片的给油量和出油口数
|
|
中间片规格
|
8T
|
8S
|
16T
|
16S
|
24T
|
24S
|
32T
|
32S
|
40T
|
40S
|
48T
|
48S
|
|
每口每循环给油量ml
|
0.08
|
0.16
|
0.16
|
0.32
|
0.24
|
0.48
|
0.32
|
0.64
|
0.40
|
0.80
|
0.48
|
0.96
|
|
出油口数
|
2
|
1
|
2
|
1
|
2
|
1
|
2
|
1
|
2
|
1
|
2
|
1
|
|
中间片规格
|
56T
|
56S
|
80T
|
80S
|
120T
|
120S
|
160T
|
160S
|
200T
|
200S
|
240T
|
240S
|
|
每口每循环给油量ml
|
0.56
|
1.12
|
0.80
|
1.60
|
1.20
|
2.40
|
1.60
|
3.20
|
2.00
|
4.00
|
2.40
|
4.80
|
|
出油口数
|
2
|
1
|
2
|
1
|
2
|
1
|
2
|
1
|
2
|
1
|
2
|
1
|
|
| 带循环指示器的中间片规定代号为“ □ Z” |
| |
| 三、型号说明 |
 |
| |
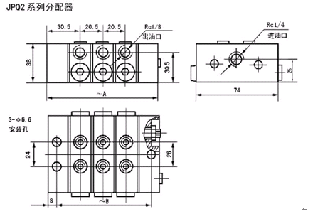
| 四、外形尺寸 |


 |
五、参数表
|
分配器系列
|
中间片数
|
A
|
B
|
重量kg
|
|
JPQ1
|
3
|
87
|
71
|
1.3
|
|
4
|
104.5
|
88.5
|
1.6
|
|
5
|
122
|
106
|
1.8
|
|
6
|
139.5
|
123.5
|
2.1
|
|
7
|
157
|
141
|
2.3
|
|
8
|
174.5
|
158.5
|
2.6
|
|
JPQ2
|
3
|
102
|
86
|
2.2
|
|
4
|
122.5
|
106.5
|
2.6
|
|
5
|
143
|
127
|
3.1
|
|
6
|
163.5
|
147.5
|
3.5
|
|
7
|
184
|
168
|
4.0
|
|
8
|
204.5
|
188.5
|
4.4
|
|
JPQ3
|
3
|
142
|
126
|
9.8
|
|
4
|
170.5
|
154.5
|
11.8
|
|
5
|
199
|
183
|
13.7
|
|
6
|
227.5
|
211.5
|
15.7
|
|
7
|
256
|
240
|
17.6
|
|
8
|
284.5
|
268.5
|
19.6
|
|
| |
|