您好,欢迎启东市神舟润滑设备制造有限公司!

全国服务热线:0513-83227070

子页面大图广告
启东市神舟润滑设备制造有限公司

地址:启东市惠萍镇西侧工业园区

电话:0513-83227070
    0513-83797070

传真:0513-83223806

手机:13016796801
    13584729328

您当前的位置:首页 >> 片式、单线递进分配器 >> DPQ-X1.3系列单线分配器(31.5MPa)
 
DPQ-X1.3系列单线分配器(31.5MPa)

 加入时间:2018-5-23 9:51:07  

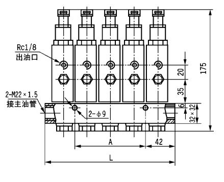
一、概述

      DPQ-X1.3系列单线分配器适用于公称压力为31.5MPa的单线干油润滑系统中,向润滑点自动定量供给润滑脂的单线分配器。

二、技术参数

公称压力
MPa

给油量
mL/每次

工作压力
MPa

给油孔数

安装孔数

A

L

重量
kg

31.5

0.13~1.3

5~8

2

1

-

84

1.60

3

2

32

116

2.40

4

2

64

148

3.20

5

2

96

180

4.00

          使用介质为锥入度不低于 220(25℃,150g)1/10mm 的润滑脂。

三、型号说明


四、外形尺寸 


五、订货须知
      分配器安装使用环境温度在 -10~80℃以外的必须在订货合同中注明,以便供货时提供耐低、高温油封。