您好,欢迎启东市神舟润滑设备制造有限公司!

全国服务热线:0513-83227070

子页面大图广告
启东市神舟润滑设备制造有限公司

地址:启东市惠萍镇西侧工业园区

电话:0513-83227070
    0513-83797070

传真:0513-83223806

手机:13016796801
    13584729328

您当前的位置:首页 >> 片式、单线递进分配器 >> BEKA(MX-F)递进式分配器(30MPa)
 
BEKA(MX-F)递进式分配器(30MPa)

 加入时间:2018-5-23 9:53:21  

一、产品介绍
      递进式柱塞分配器通过液压顺序控制配油,分配器柱塞的运动受供给的润滑脂支配,这种支配方式最终使得润滑剂依次从各个出口排出。如果润滑脂的流动不正常,例如某一润滑线路或某一润滑点发生堵塞时,分配器也将发生堵塞。这种堵塞现象可用于对分配器进行监控。发生堵塞时,手动注油会出现难以克服的背压。对于EP-S电控泵来说,在过压时安全阀上的泄油小孔就会泄露润滑脂。
      递进柱塞分配器采用各种不同的块状结构制造,以便根据润滑点的数量来方便地对分配器进行必要的延长或缩短。也正是因为有了这种块状结构,使得有可能采用由各个柱塞行程具有不同输出的单个配油块,来组成一个完整的递进式分配器。为确保递进式分配器的正常功能,最少需要三个柱塞块,也就是说,至少需要三个配油块。

二、分配器技术参数

工作压力进口: 最大300bar
温度范围: -35℃到+100℃
使用介质: 油-粘性油-油脂
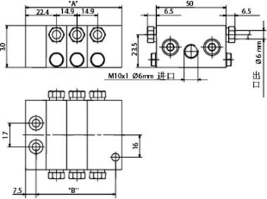
尺寸:
最小:MX-F3/6(3 柱塞分配器块,6个出油口)
最大: MX-F12/24 (12 柱塞分配器块,24口)


分配器块 流量输出 柱塞直径
每个出口 每个分配器块
MX-F25 25mm3 50mm3 3mm
MX-F45 45mm3 90mm3 4mm
MX-F75 75mm3 150mm3 5mm
MX-F105 105mm3 210mm3 6mm

出口 2 4 6 8 10 12 14 16 18 20 22 24
尺寸“A” 69.2 69.2 69.2 83.95 98.7 113.45 128.2 142.95 157.7 172.45 187.2 201.95
尺寸“B” 57.2 57.2 57.2 72.0 86.7 101.5 116.2 131 145.7 160.5 175.3 190.1

分配器工作原理(一)
递进式分配器由独立的分配器块组成,它们是首块IE(不带柱塞)、
中间块ME和末块EE,它们是通过螺栓(六角沉头螺栓)和锁紧垫圈装配起来的。各分配器块之间采用了O形圈密封。
润滑脂通过分配器的进口流入,经过全部配油块后,到达柱塞(I)(见图A)。
柱塞(I)被推向左侧,润滑脂则从柱塞左侧压力区域排向出口1(见图B)
分配器工作原理(二)
此后,柱塞(II)和(III)依次换位,润滑脂被压向出口2和3。在柱塞
(III)换位后,润滑脂就直接进入柱塞(I)的左侧(见图C),推动
柱塞(I)右移,润滑脂则从柱塞右侧压力区域排向出口4。

最后,柱塞(II)和(III)将换位,而润滑脂将被压向出口5和6。

在输送柱塞(III)换位后,润滑脂又一次进入到柱塞的右侧(见图A),从而开始了一个新的递进式柱塞配油循环。只要向递进式分配器供应润滑脂,上述循环将不断重复进行下去。
 
叠加出口(一):

为满足大油量润滑点的润滑需要,递进式分配器需要叠加两个或两个以上的出口。

递进式分配器的每个分配器块均有两个出口。

需要叠加两个出口时,就要连接分配器块的两个出口。

为达到这一目的,就要取出分隔两侧的M2沉头螺钉,并在一侧出口拧进一个丝堵,将该侧出油口封死。

这样,封闭侧的输出就被引向另一侧,也就是说,另一侧的油量输出加倍了。
 

叠加出口(二):
如果递进式分配器某一块两个出口的全部输出仍然不够的话,例如在大型轴承处或者主分配器处,就需要将几个分配器块连接起来。

为达到这一目的,需要使用一根管子或连接桥把两个分配器块连接起来,这样,三个出口就被连接起来了。

取出分配器块内分隔两侧的沉头螺钉,再封闭一侧出口,四个出口就被连接起来了。

最终输出是所有被叠加出口的输出值的总和。