您好,欢迎启东市神舟润滑设备制造有限公司!

全国服务热线:0513-83227070

子页面大图广告
启东市神舟润滑设备制造有限公司

地址:启东市惠萍镇西侧工业园区

电话:0513-83227070
    0513-83797070

传真:0513-83223806

手机:13016796801
    13584729328

您当前的位置:首页 >> 稀油部分 >> GLCQ、GLLQ型列管式冷却器
 
GLCQ、GLLQ型列管式冷却器

 加入时间:2018-5-21 14:55:47  

一、概述
  GLCQ、GLLQ型列管式油冷却器是在JB/ZQ4004-86标准的基础上改进设计成JB/T7356-94标准的;产品适用于冶金、 矿山、轻工、电力、化工等工业部门的稀油润滑装置、液压站和油压设备中,将热工作油冷却到要求的温度;冷却器 的工作温度≤ 100℃,工作压力≤ 1.6MPa,一般工作压力≤ 1MPa;本产品体积小,重量轻、冷却效果好,便于维护检 修;GLCQ 型的换热管采用紫铜翅片管,热交换系数>300kcal/•h•℃;GLLQ 型采用裸(光)管,热交换系数>200kcal/•h•℃。

二、技术参数

型号

公称压力
MPa

公称冷却面积

热交换器性能

介质粘度等级

进油
温度

进水
温度

油温

压力损失
MPa

油流量
与水流量之比

热交换系数
K
kcal/·h·℃

油侧

水侧

GLCQ1

0.63

1

1.6

0.4

0.6

0.8

1

1.2

-

-

-

≤N100

55
±1 

≤30

≥8


0.1


0.05

1:1

>300

GLCQ2

1.3

1.7

2.1

2.6

3

3.6

-

-

GLCQ3

4

5

6

7

8

9

10

11

GLCQ4

13

15

17

19

21

23

25

27

GLCQ5

30

34

37

41

44

47

50

54

GLCQ6

55

60

65

70

75

80

85

90

GLLQ3

0.63

1

4

5

6

7

-

-

-

-

≤N460

50
±1 

1:1.5

>200

GLLQ4

12

16

20

24

28

-

-

-

GLLQ5

35

40

45

50

60

-

-

-

GLLQ6

80

100

120

-

-

-

-

-

GLLQ7

160

200

-

-

-

-

-

-

 

    使用介质为粘度值 10~460cst 的润滑油,环境温度不高于 100℃,水温不高于 30℃。

三、型号说明

四、外形尺寸

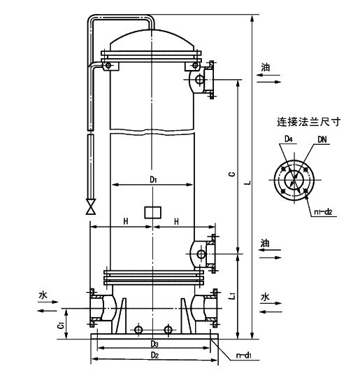
GLCQ型冷却器外形图

型    号

L

C

L1

H1

H2

D1

D2

C1

C2

B

L2

L3

t

n-d3

d1

d2

重量
kg

GLCQ1-0.4/*
GLCQ1-0.6/*
GLCQ1-0.8/*
GLCQ1-1.0/*
GLCQ1-1.2/*

370
540
660
810
940

240
405
532
665
805

67

60

68

78

92

52

102

132

115

145
310
435
570
715

2

4-φ11

G1

G3/4

8
10
12
13
15

GLCQ2-1.3/*
GLCQ2-1.7/*
GLCQ2-2.1/*
GLCQ2-2.6/*
GLCQ2-3.0/*
GLCQ2-3.5/*

560
690
820
960
1110
1270

375
500
635
775
925
1085

98

85

93

120

137

78

145

175

172

225
350
485
630
780
935

2

4-φ11

G1

G1

19
21
25
29
32
36

GLCQ3-4.0/*
GLCQ3-5.0/*
GLCQ3-6.0/*
GLCQ3-7.0/*

840
990
1140
1310

570
720
870
1040

152

125

158

168

238

110

170

210

245

380
530
680
850

10

4-φ15

G1 1/2

G1 1/4

74
77
85
90

GLCQ3-8.0/*
GLCQ3-9.0/*
GLCQ3-10/*
GLCQ3-11/*

1470
1630
1800
1980

1200
1360
1530
1710

152

125

158

168

238

110

170

210

245

1010
1170
1340
1520

10

4-φ15

G2

G1 1/2

96
105
110
118

GLCQ4-13/*
GLCQ4-15/*

1340
1500

985
1145

197

160

208

219

305

140

270

320

318

745
905

12

4-φ19

G2

G2

152
164

GLCQ4-17/*
GLCQ4-19/*
GLCQ4-21/*
GLCQ4-23/*
GLCQ4-25/*
GLCQ4-27/*

1660
1830
2010
2180
2360
2530

1305
1475
1655
1825
2005
2175

197

160

208

219

305

140

270

320

318

1065
1235
1415
1585
1765
1935

12

4-φ19

G2

G2

175
188
200
213
225

GLCQ5-30/*
GLCQ5-34/*
GLCQ5-37/*
GLCQ5-41/*
GLCQ5-44/*
GLCQ5-47/*
GLCQ5-51/*
GLCQ5-54/*

1932
2152
2322
2542
2712
2872
3092
3262

1570
1790
1960
2180
2350
2510
2730
2900

202

200

234

273

355

180

280

320

327

1320
1540
1710
1930
2100
2260
2480
2650

12

4-φ23

G2

G2 1/2

-
-
-
-
-
-
-
-

GLCQ6-55/*
GLCQ6-60/*
GLCQ6-65/*
GLCQ6-70/*
GLCQ6-75/*
GLCQ6-80/*
GLCQ6-85/*
GLCQ6-90/*

2272
2452
2632
2812
2992
3172
3352
3532

1860
2040
2220
2400
2580
2760
2940
3120

227

230

284

325

410

200

300

390

362

1590
1770
1950
2130
2310
2490
2670
2850

12

4-φ23

G2 1/2

G3

-
-
-
-
-
-
-
-

    注:* 标注公称压力值

GLLQ型冷却器外形图

 

型号

L

C

L1

H1

H2

D1

D2

C1

C2

B

L2

L3

D3

D4

n-d1

n-d2

n-b×l

DN1

DN2

重量
kg

GLLQ3-4/* *

1165

682

265

190

210

219

310

140

200

290

367

485

100

100

4-
Φ18

4-Φ18

4-20×28

32

32

143

GLLQ3-5/* *

1465

982

785

168

GLLQ3-6/* *

1765

1282

1085

110

40

184

GLLQ3-7/* *

2065

1512

1385

220

GLLQ4-12/* *

1555

860

345

262

262

325

435

200

300

370

497

660

145

145

65

65

319

GLLQ4-16/* *

1960

1365

1065

380

GLLQ4-20/* *

2370

1775

1475

440

GLLQ4-24/* *

2780

2175

350

1885

160

8-
Φ17.5

4-20×30

80

505

GLLQ4-28/* *

3190

2585

2295

566

GLLQ5-35/* *

2480

1692

500

315

313

426

535

235

300

520

730

1232

180

180

8-Φ18

100

100

698

GLLQ5-40/* *

2750

1962

1502

766

GLLQ5-45/* *

3020

2202

515

725

1772

210

817

GLLQ5-50/* *

3290

2472

2042

125

900

GLLQ5-60/* *

3830

3012

2582

1027

GLLQ6-80/* *

3160

2015

700

500

434

616

780

360

750

550

935

1555

295

295

8-
Φ22

8-Φ23

4-25×32

200

200

1617

GLLQ6-100/* *

3760

2615

2155

1890

GLLQ6-120/* *

4360

3215

2755

2163

  1、第一个* 标注公称压力值,第二个* 标注水管程数(四管程标S,双管程不标注)。下表同。
  2、法兰连接尺寸按JB/T81《凸面板式平焊钢制管法兰》中PN=1MPa 的规定。

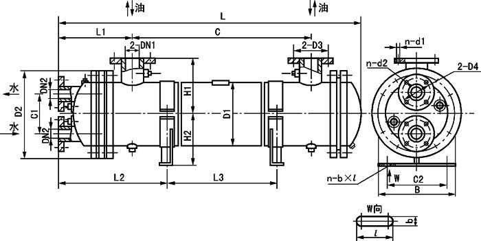
GLLQ 型立式冷却器外形图

型号 L C L1 C1 H D1 D2 D3 DN D4 n-d1 n-d2 重量
kg
GLLQ5-35/* *L 2610 1692 470 150 315 426 640 590 80 160 6-Φ30 4-Φ18 734
GLLQ5-40/* *L 2880 1962 802
GLLQ5-45/* *L 3120 2202 100 180 8-Φ18 853
GLLQ5-50/* *L 3390 2472 936
GLLQ5-60/* *L 3930 3012 1063
GLLQ6-80/* *L 3255 2015 705 235 500 66 1075 1015 125 210 6-Φ40 1670
GLLQ6-100/* *L 3855 2615 1943
GLLQ6-120/* *L 4455 3215 150 240 8-Φ23 2215
GLLQ7-160/* *L 3320 2010 715 602 820 1210 1150 2768
GLLQ7-200/* *L 3970 2660 200   3340

  1、法兰连接尺寸按JB/T81《凸面板式平焊钢制管法兰》中PN=1MPa 的规定。
  2、** 标注见前表。

五、工作原理
  列管式油冷却器主要由回水盖、壳体、后盖以及冷却装置等部件组成。壳体为无缝钢管结构,其上焊有两个法兰 盘,用以联接进油管及出油管。在壳体上装有管堵,用于泄放积于体内的空气、油、水。冷却装置主要由换热管、固定管板、浮动管板、隔板、导流板等组成。管子的两端经胀接后,分别固定在两侧的固定管板和浮动管板上。固定管板和冷却器壳体法兰盘固定在一起,而浮动管板则自由地架在壳体上。这样消除了温度对换热管热膨胀的影响。隔板 和导流板都起强化换热作用。
  冷却器采用双回程,冷却水由进口接管流至回水盖腔内再沿冷却管作双回程流动,水在流动中吸收油侧放出的热量后,经接管排除体外。

六、使用须知
  1、冷却器应安装在单独的低压循环回路内或系统回路压力较低处,安装应紧固密封。
  2、介质较脏时,在进入冷却器前应配有滤清器。
  3、工作开始时,应注意放尽冷却器和系统中的空气,先通入冷介质再逐渐通入热介质,以达到热平衡,避免“过 热现象”和热应力。
  4、冷却介质压力宜小于被冷却介质。
  5、冷却介质为水时应选用洁净淡水,选用海水或其他介质在订货时说明。
  6、冬季停止使用时应将冷却器内介质放净。
  7、定期(一年左右)对冷却器进行清洗,去除油水垢。保证密封件完好。并进行密封性试验,1.6MPa 液压试验 30 分钟无泄露。