您好,欢迎启东市神舟润滑设备制造有限公司!

全国服务热线:0513-83227070

子页面大图广告
启东市神舟润滑设备制造有限公司

地址:启东市惠萍镇西侧工业园区

电话:0513-83227070
    0513-83797070

传真:0513-83223806

手机:13016796801
    13584729328

您当前的位置:首页 >> 稀油部分 >> GZQ型给油指示器
 
GZQ型给油指示器

 加入时间:2018-5-21 14:57:49  

一、概述

  GZQ型给油指示器适用于稀油集中润滑系统中观察向润滑点给油情况和调节给油量。适用介质粘度等级为N22~N460。

二、使用要领

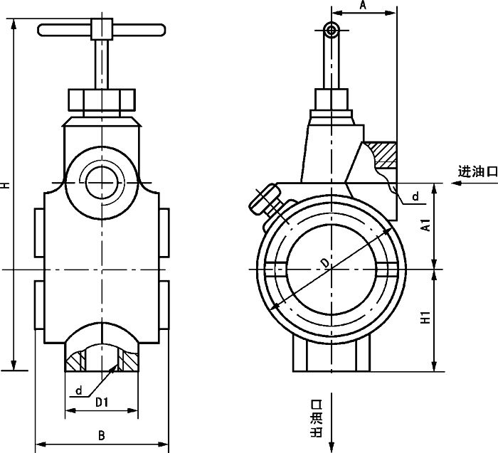
  与系统管路联接时必须按图示规定的进出口联接,但必须垂直安装。

三、技术参数及外形尺寸

型 号

公称通径 DN

公称压力 MPa

d

D

B

A1

A

H

H1

D1

重量(kg)

GZQ-10

10

0.63

G3/8

65

58

35

32

142

45

32

1.4

GZQ-15

15

G1/2

65

58

35

32

142

45

32

1.4

GZQ-20

20

G3/4

50

60

28

38

150

60

41

2.2

GZQ-25

25

G1

50

60

28

38

150

60

41

2.2

 

四、型号说明